A WILLEM programozó
A
z
Interneten több égető kapcsolás, és program jelent meg, az egyik
népszerű áramkör a WILLEM Programmer.
Míg a legtöbb "internetes" égető csak a soros programozású IC-khez használható, a "WILLEM" a párhuzamos programozású EPROM, EEPROM IC-ket is ismeri.(Tehát a 27xxx, 28xxx, 29xxx, stb. IC-k.) A kezelt IC-k számához képest, egyszerű az áramköri felépítés. Ez a PC párhuzamos portjának használatából, és abból adódik, hogy az égető feszültség, és a vezérlő jelek egy 12-es DIP kapcsolóval, valamint jumperek segítségével állíthatóak be. Adapter nélkül tudja égetni a leggyakrabban használt 24xx, 93xx, 25xx soros EEPROM, és több 8 és 18 lábú MICROCHIP PIC mikrokontrollert. Adapter, vagy letöltő kábel és ahhoz illeszkedő elektronika - ez gyakran csak egy IC foglalat - szükséges az ATMEL 89xxx, 90Sxxxx, a 28 és 40 lábú PIC mikrokontrollerekhez.
Ha az előnyöket próbálom összefoglalni:
- Elsősorban az olcsóság. A működtető program ingyen letölthető a www.willem.org honlapról, ugyanott a teljes hardver dokumentáció is megtalálható.
- Viszonylag egyszerű áramkör.
- Gyors adatforgalom - és így gyors működés.
- Színvonalas, window-os program. (98-on, és XP-n is megy, de XP-n a PCI buszos párhuzamos port bővítő kártyán nem sikerült működésre bírnom.)
Néhány dolog persze következik az egyszerű áramköri felépítésből:
- A sok kapcsoló és jumper miatt, valamint mert az égető galvanikus kapcsolatban van a PC-vel, a használat nagy odafigyelést igényel.
- Szintén a sok kapcsolóból, jumperből adódik, hogy az áramkör gyakorlatilag nem dobozolható.
- Ha programozó foglalatnak mindenhol "karos" IC foglalatokat akarunk használni - a gyakori használatnál célszerű - akkor ez igencsak megdrágítja az áramkört. (Az alappanelen 5 programozó foglalat van, plusz az adapterek programozó foglalatai.)
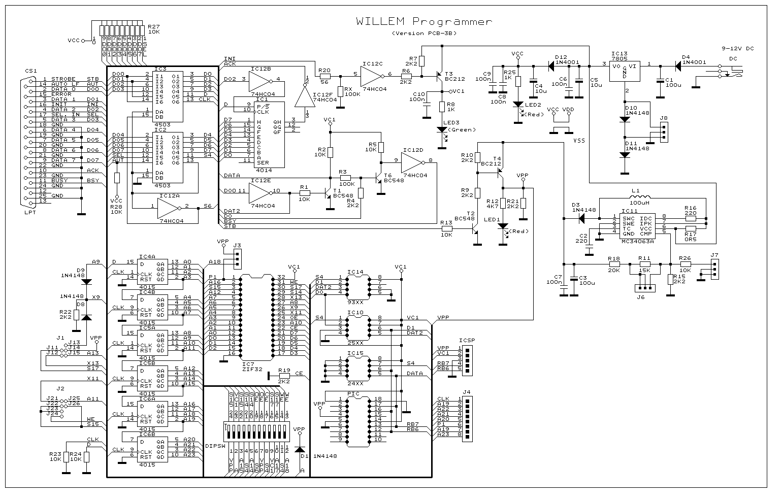
Az égető elektronikája:
Először is a verziószám: PCB-3B. Ezt fontos tudni, mert az égető programban is konfigurálni kell melyik hardver lóg a kábel végén, és program is figyelmeztet, hogy milyen átkötések, stb. szükségesek a korábbi verzióknál. (Amit most nem kell figyelembe venni, lévén ez az utolsó verzió.)
(Mint az előbbiekből is kiderül, a működtető program(ok) fejlesztése (munkája, érdeme, stb.) tőlem (mikroklubtól) teljesen független, én csak a nyomtatott áramköri tervet készítettem hozzá, a 2005 áprilisában megtalálható "legjobb" verzióról, a PCB-3B kapcsolási rajz alapján.)
Az eredeti panel terv egyoldalas volt, átkötésekkel, a tovább fejlesztések miatt pár "rátuningolt" alkatrésszel. A panelt "kétoldalasra" alakítottam, így ez jóval kisebb lett az eredetinél. A működtető program kijelzi az adott IC-hez szükséges DIP kapcsoló és jumper állásokat, így azok elhelyezkedését természetesen nem változtattam meg. A kapcsolási rajz:

A működtető program a PC párhuzamos portról két meghajtón, CD4503, vagy 74HCT367 keresztül küldi az égetőnek az adat és vezérlő biteket. A CD4503 hat nem invertáló "tri-state buffer"-t tartalmaz. A működése a következő: ha a DA bemenetre magas szintet adunk, akkor az I1-4 bemenetek állapota megjelenik az O1-4 kimeneten. Ha a DA alacsony szintű, akkor a kimenetek a "harmadik" állapotba kerülnek. Az I5-6 és O5-6 kapcsolata hasonló, de a DB a vezérlőbemenet.
A párhuzamos EPROM-ok címbitjeit három CD4015-ös IC állítja elő. A CD4015-ben két 4 bites "shift", azaz léptető regiszter van. A három IC hat léptető regisztere sorba van kötve.
Az EPROM-ok, mikrokontrollerek a programozásához 5-25 volt közti feszültséget igényelnek, a leggyakoribb érték a 12.5 volt, a régebbi kiadású IC-k 21 vagy 25 voltot igényelnek, az újabb mikrokontrollerek, EEPROM-ok pedig 5 volttal égethetőek. Az 5 voltnál nagyobb programozó feszültségeket az IC11 kapcsoló üzemű DC/DC konverter IC állítja elő. A kimeneti feszültséget a J6 és J7 állása határozza meg.
Égetéskor némely IC tápfeszültségét kb. 6.5 voltra kell emelni. Ez a J8 jumperrel történhet.
A programozandó IC tápfeszültségét a T3, az égető feszültséget a T4 kapcsolja be.
Az égető tápellátását a LED2, az égető feszültség bekapcsolását a LED1, az IC-re kapcsolt tápfeszültséget pedig a LED3 LED jelzi.

A használatba vétel:
Az égetőt és a PC számítógépet egy úgynevezett nyomtató hosszabbító kábellel köthetjük össze. Ezen két, egy az egyben bekötött 25 pólusú CANON csatlakozó van, egy apa, ez megy a PC LPT portra, és egy anya, ami az égetőn a CS1-be. (Ne keverjük össze a nyomtató kábellel, vagy a „laplink” kábellel!)
Ha mindent rendben találunk, kapcsoljunk tápfeszültséget készülékre. A szükséges tápegység paraméterei: 12V DC, 300mA. (Egy átlagos 12V-os hálózati adapter ezt az igényt általában kielégíti.)
Fontos! Először a PC párhuzamos port csatlakozóját, és a tápdugót nyomjuk a csatlakozójába, azután az adaptert a konnektorba. (A tapasztalat szerint egy PC és egy külső hardver eszköz csatlakoztatása problémás lehet. A két - bekapcsolt - áramkör földpontja között akár többször tíz volt feszültség különbség is lehet - persze, csak ha nincsenek "összeföldelve", de a sokszor ez a helyzet - ami az összekötés pillanatában természetesen kiegyenlítődik, egy - akár több amperes - áramimpulzus formájában. Ez egy-két IC hirtelen halálát - akár a PC alaplapon! - is okozhatja. Ezért - ez általában is elmondható - bekapcsolt készülékeket lehetőleg ne kössünk össze.)
Tehát táp és PC párhuzamos port csatlakoztatás, majd a táp bekapcsolás. A LED2 LED világít, esetleg a LED1 és LED3 is, amíg a PC nem veszi fel a kapcsolatot az égetővel. A bekapcsolás alatt ne legyen IC a ZIF32-es foglalatban!
A PC program használata:
A PC program megtalálható a mellékelt "mikroklub" CD-n, a MIKROKLUB/WILLEM könyvtárban. Az utolsó verzió a SETUP97ja.exe – install verzió - de a korábbi változatok, az EPROM511.EXE, EPROM51.EXE, és az EPROM.EXE is ott vannak a könyvtárban:

Indítsuk el a PC programot!

Először is ellenőrizzük le, hogy a PCB3 hardver van-e beállítva! (Csak akkor fog helyesen működni az égető.)
A program "ikonok" és funkciói:
"Open file" : file beolvasás a bufferbe, azaz annak a munkaterületnek, memóriatartománynak a feltöltése adatokkal, ami majd az IC-be kerül.
"Save file" : a buffer mentése.
"Clear buffer" : a munkaterület – azaz az égetendő, vagy a beolvasott tartalom - nullázása. (Törlése)
"Read chip" : az IC tartalmának kiolvasása. (És a „bufferbe” helyezése.)
"Verify" : az IC-ből kiolvasott adatok összehasonlítása a buffer
adatokkal.
"Blank test" : üresség teszt, azaz töröltség ellenőrzés. (Első sorban az UV fénnyel törölhető IC-knél van jelentősége.)
"Electronic ID" : elektronikus azonosító kiolvasása a chipből. (Nem minden mikrokontroller, vagy memória rendelkezik kiolvasható azonosítóval.)
"Read lock bit" : titkosító bitek kiolvasása a chipből.
"A-B Swap DIP" : a DIP kapcsoló kijelzés megcserélése. (E menüpont értelmét még nem értem.)
"Program chip" : a bufferben lévő adatok beégetése a chipbe.
"Erase chip" : az elektromosan törölhető IC-knél adható ki ez az utasítás, és törli a chipet.

Az égető és tápfesz jumper beállítások:
Az első használat:
Próbaképpen mondjuk, állítsuk be a 27C64-es eprom típust, állítsuk be a hozzá tartozó jumper állást, majd adjuk ki az olvasás parancsot. (Most még ne legyen IC a programozó foglalatba.) Figyeljük a LED1 és LED3 állapotát. Ha eddig égtek is, most le kell hogy kapcsolja a program a LED1-et - ez ugyanis az égetőfeszültség jelzés - majd a folyamat után a LED3-ast is, tehát a végén csak a LED2 éghet! Ha az olvasás után a három LED folyamatosan ég, akkor valószínűleg egy másik program - pl. nyomtató vagy scanner driver – is él a párhuzamos porton, megakadályozva a működést!
Itt kell megjegyeznem, hogy a PC alaplapok, párhuzamos portok eltérő felépítése, a korábban telepített párhuzamos porton működő eszközök programja problémát okozhat. Pl. egy gépen sehogy se tudtam beüzemelni egy égetőt, pedig a port, és az áramkör biztosan jó volt. Mint kiderült, a scanner meghajtó programján nem tudta keresztül verekedni magát a PC program. A megoldás : egy új "hardver profil" lett, amiből a scanner ki lett véve. Egy másik konkrét hibajelenség, és a megoldása: egy 93C56-os eeprom-ot nem tudtam égetni egy gépen. Az égető a tesztek szerint jó volt, és pl. 29Fxxx párhuzamos EEPROM-okat tökéletesen kezelte. A megoldás itt az volt, hogy az alaplapi BIOS-ban a párhuzamos port üzemmódját SPP-ről EPP-re állítottam.
Ha minden rendben, próbáljunk valamit beégetni egy EPROM-ba, de a kísérleteket, a működtető program megismerését, ne egy pótolhatatlan tartalmú IC-n kezdjük el..
Ha a PC-n futó program nem "ismeri" fel a csatlakoztatott égetőt, és a hibakeresés eredménytelen volt, azaz "minden jónak tűnik", akkor - ha van lehetőség rá – próbáljuk ki a készüléket egy másik PC-n is. Valamint vizsgáljuk át, hogy a használandó párhuzamos portra nem telepedett-e rá valamilyen eszköz meghajtója, ellenőrizzük a tápot, próbáljuk ki más üzemmódba állítani a párhuzamos portot, stb.
A 27c801 kezelése: ennek az 1 megabájtos EPROM-nak a kezeléséhez a következőket kell tennünk: a J3 jumpert húzzuk le, ugyanakkor a J4 csatlakozón a P1 és A19-et zárjuk rövidre. (Ezeket a program jelzi is.)
A "Willepro" égetőt a saját működtető programján kívűl, az "ICPROG" window-os programmal is használhatjuk. (A program letölthető az Internetről, de rajt van a "mikroklub" CD-n is, a használati útmutató ICPROG-W.PDF néven található a CD-n.)
Adapterek PLCC tokozású EPROM-okhoz, 89xxxx mikrokontrollerekhez, a 3.3 voltos IC-khez, és a HUB EEPROM-okhoz :
Adapter PLCC tokozású epromokhoz :
A
z
adapter lehetővé teszi a PLCC tokos epromok kiolvasását, égetését. Az
adaptert egyszerűen be kell dugni az égető karos IC foglalatába, az
EPROM-ot pedig ugyanúgy égetjük, mint a normál, DIP tokozású
alkatrészt. A 28 és a 32 lábú DIP
tokozású EPROM-ok PLCC tokja egyaránt 32 kivezetésű, de a lábkiosztás
eltér, ezért külön adapter kell a 2764/128/256/512-es, és a
27010/020/040-es EPROM-okhoz.
A
dapter
89xxxx IC-khez :
A 89Cxxxx és 89LVxxxx mikrokontrollerekhez egy adapter szükséges, ami a 32 lábú programozó foglalatba fogatható.
2
8F200/400/800,
29F200/400/800 adapter:
Az adapterkártya lehetővé teszi az ssop44 tokozású 28Fx00, 29Fx00 eepromok kiolvasását, beégetését. (Pl. 29F200, 29F400, 29F800) Az adapterbe kerül az EEPROM, majd azt egyszerűen be kell dugni a willepro égető 32-es karos IC foglalatába, ezután pedig ugyanúgy égetjük, mint egy normál, DIP tokozású alkatrészt.
Adapter 3.3 voltos IC-khez :
Az égető a 3.3 voltos IC-ket egy olyan adapterrel kezeli, ami az 5 voltos jeleket egy feszültségosztóval 3 volt körüli értékre alakítja. Az adapter a 32 lábú programozó foglalatba fogatható.
A
dapter
a HUB EEPROM-okhoz :
Az újabb PC-k alaplapjain találkozhatunk a BIOS-t tároló "HUB" EPROM-okkal. (82802, AT49LW040, SST49LF002A, 49LF004A, 49LF008A, stb.) Ezek kezeléséhez is egy külön adapter szükséges. (Erre a program figyelmeztet is.)
Adapter SMD tokos EEPROM-okhoz :
A 8 lábú DIP IC tokra forrasztott panel végszükségletben, mint "fapados" SMD adapter is használható programozó készülékekhez. Értelemszerűen a DIP tokot csíptessük a karos foglalatba, az SMD tokot pedig az olvasás vagy programozás alatt szorítsuk a panel SMD fóliázatára.

Szintén az SMD IC-k kezelését könnyítik meg az SMD csipeszek.
Bővebb információ az előbbi adapterekről (is) a lenti telefonszámokon, internetcímen.
Végül nincs más hátra, mint hogy sok sikert kívánjak a használathoz. Torkos Csaba, 8100 Várpalota Táncsics u. 7. Telefon, napközben, 8-16 óráig: 06/88/473-784, vagy - egész nap, 8-23 óráig - a 06/30/9 472-294 számon. Email: mikroklub@vnet.hu Internet: http://www.mikroklub.hu , http://www.eprom.hu